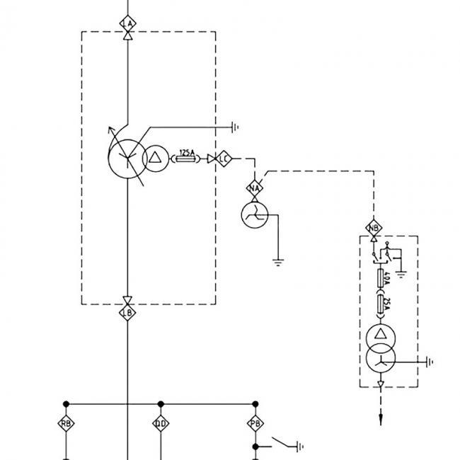
TRANSFORMER HARMONIC AND RESONANCE STUDIES
APD Engineering was requested by an Australian utility to assess voltage and current harmonic and resonance analysis studies for two 220/132/22kV 120/140MVA transformer with respect to limits set out in IEC 61000:3:6 (2012).

